Jautājuma risināšanā iesakām meklēt zinoša siltumtehniķa atbalstu. Turpmāk sniegtā informācija ir teorētiska un risinājumi var atšķirties, redzot konkrēto siltumapgādes sistēmu.
 Katram apkures lokam ar atšķirīgu temperatūras darbības režīmu noteikti nepieciešams savs cirkulācijas sūknis.
 Grīdas apkures lokam, atkarībā no āra gaisa temperatūras (ēkas siltuma zudumiem), ir vajadzīgs siltumnesējs ar temperatūru 24-45°C, savukārt radiatoru lokam – 30-75°C.
 Lai to nodrošinātu, granulu katla apkures sistēmas katrs apkures loks jāaprīko ar savu cirkulācijas sūkni un 3-ceļu vārstu. Vai arī, siltās grīdas kolektors jāaprīko ar maksimālās temperatūras ierobežojošu sajaukšanas mezglu (piemērs) un zonāla telpas automātika (piemēri), kas nodrošinās sildīšanas apturēšanu, sasniedzot noteikti temperatūru. Šādā gadījumā 3-ceļu vārsts un cirkulācijas sūknis jāizvieto uzreiz pie siltās grīdas kolektora.
 
 Siltās grīdas sistēmas ir ar lielu inerci (lēni uzsilst un lēni atdziest). Aprakstītā sistēmas “uzvedība” var parādīties uzreiz pēc siltas grīdas sūkņa iedarbināšanas. Dažkārt tas var ievilkties uz vairākām stundām, kamēr siltuma enerģija būs pārnesta uz grīdas konstrukciju.
 Pašā sildīšanas sākumā loka siltumenerģijas pieprasījums pārsniedz katla jaudu un siltumnesēja temperatūra sistēmā neizbēgami samazināsies.
 Tiklīdz apkures loka siltuma patēriņš būs mazāks par katla nominālo jaudu, siltumnesēja temperatūra pacelsies līdz atbilstošai, apkures katlā uzstādītai vērtībai, un katls no tā brīža sāks darboties siltuma enerģijas jaudas modulācijas režīmā.
 Lai izvairītos no iepriekš aprakstītas apkures sistēmas parādības, siltās grīdas apkures loku aprīko ar zonālu automātiku un starp katlu un apkures lokiem ierīko apkures ūdens akumulācijas tvertni. 25kW katlam tai jābūt ap 200l (piemērs).
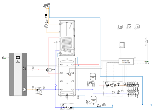
 Principiāla hidrauliskā shēma apkures sistēmai, kas sastāv no granulu katla, sanitārā karstā ūdens tvertnes, apkures akumulācijas tvertnes un siltās grīdas loka:
  